乐盈iii

东莞电机
东莞环球电机公司介绍

新闻动态

东莞电机时间原则能耗制动控制电路工作探究

分享到:
点击次数:  更新时间:2015-06-03 09:29:56  【打印此页】  【关闭

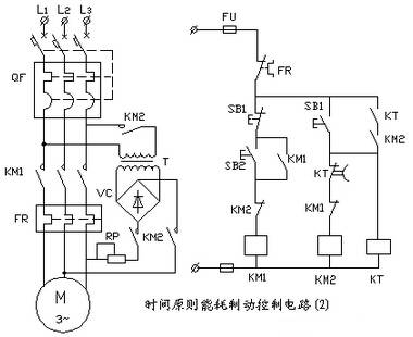
东莞电机时间原则能耗制动控制电路1      东莞电机时间原则能耗制动控制电路2

东莞电机时间原则能耗制动控制电路工作原理:
合上电源开关,按起动按钮SB2,接触器KM1线圈得电吸合并自保,东莞电机起动运转。当按停止按钮SB1时,KM1线圈断电释放,其主触点断开,定子绕组断电;同时,KM2、KT线圈得电吸合并,KM2主触点闭合,东莞电机二相定子绕组接入直流电源进行能耗制动。使东莞电机转速迅速下降,当机转接近零时,时间继电器KT延时时间到。其通电延时断开的动断触点断开,使KM2、KT线圈相继断电释放,制动过程结束。
RP为调节制动力大小的限流电阻。
 
以上内容希望大家能获得帮助,继续关注东莞电机厂可以了解更多电机信息。

标签:  东莞电机 电机 东莞电机厂

新闻资讯

联系方式

东莞环球电机

东莞电机网络经销部

电   话:400-005-6180

电   话:0769-22242892

电   话:0769-23882301

手   机:18944725591

传   真:0769-81380536